鉅大鋰電 | 點擊量:0次 | 2018年05月21日
如何自制鋰電池3.7v升9v的電路?電路圖是什么?
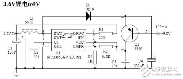
自制鋰電3.7v升9v電路圖(一)

一款待機功耗極低的一節3.6V鋰電池轉成9V的升壓電路
自制鋰電3.7v升9v電路圖(二)
充電裝置原理電路圖所示,最大輸出電流為20A,最高充電電壓為80V.它可以從0V起進行調節,因此能對各種規格的蓄電池進行充電,還可以對相同規格的蓄電池組或串聯蓄電池組進行充電,如最多可對5只串聯的12V蓄電池同時進行充電。對串聯蓄電池充電,可縮短連線長度,減少線損,連接方便,因此可大幅度提高工作效率。

從圖中可知,變壓器T為雙基極管V1提供工作電壓,雙基極管V1及相應外圍元件組成一個振蕩器,振蕩頻率可由RP1、RP2控制。在本電路中,RP1、RP2取值相差較大,所以在實際工作中,RP2可起粗調作用,RP1起細調作用,這對單個電池充電時尤為重要,可避免損壞蓄電池。由V1產生的振蕩脈沖經VD3隔離,觸發晶閘管VS,充電電流的大小及電壓的高低取決于振蕩器的輸出脈沖,即由振蕩頻率決定。R5為取樣電阻,其大小視電流表而定,若電流表內帶取樣電阻,則R5可省去。R6、C2是保護表頭用的阻尼元件。
實際選用的元件參數如圖,變壓器T可用功率為5W、輸出電壓為24V左右的任何型號的變壓器,若輸出電壓達不到0~80V,最大電流達不到20A,可換用另一只雙基極管,也可換用觸發靈敏度高一些的晶閘管。特別需要注意的是:相線和零線要按圖中連接;實際操作時,一定要接好電池后才可接通電源;充電結束后,應先切斷電源,再拆除電池的連線。本機的缺點是對電網的干擾較大,有條件的話,可制作一個大功率的濾波器,以減少對電網的干擾。
自制鋰電3.7v升9v電路圖(三)
如圖為鋰電池快速自動充電器電路。鋰電池可大電流充電,但單節鋰電池的充電電壓最大值不能超過4.2V,若超過4.5V,就可能造成永久性損壞。鋰電池的放電電壓不得低于2.2V,否則也將可能造成永久性損壞。該電路采用了LM3420—8.4專用鋰電池充電控制器。當電池組電壓低于8.4V時,LM3420輸出端①腳(OUT)無輸出電流,晶體管Q2截止,因此,電壓可調穩壓器LM317輸出恒定電流,其電流值取決于RL的取值。

LM317額定電流為1.5A,若需要更大的充電電流,可選用LM338或LM350。充電過程中,電池電壓會不斷上升。電池電壓被LM3420的輸入腳④(IN)檢測,當電池電壓升到8.4V(兩節鋰電池)時,LM3420輸出端①腳有輸出電壓,使Q2控制LM317轉入恒壓充電過程,電池電壓穩定在8.4V,此后充電電流開始減小,鋰電池充足電后,充電電流下降到涓流充電。
當輸入電壓中斷后,晶體管Q1截止,電池組與LM3420斷開,二極管D1的作用可避免電池通過LM317放電。
下一篇:全固態鋰電池怎么分類?










